文 | 杭州和利时自动化有限公司 胡树云 发表于《自动化博览》总第227期
摘要:针对百万千瓦机组运行参数高,蓄热能力小,非线性度高,系统耦合性强的特点,以广东国华台山电厂2×1000MW项目的控制策略为基础。介绍国产百万控制系统特点,阐述和利时关于百万千瓦机组解决方案的主要控制策略的特点。
关键词:1000MW超超临界机组;协调控制;给水控制;焓值
1 引言
广东台山发电厂二期(首两台1000MW级机组)扩建建设两台超超临界1000MW燃煤发电机组,三大主机由上海电气集团提供。机组控制系统采用和利时的HOLLiAS MACS V6分散控制系统,这是在1000MW机组上首次使用国产DCS系统。项目于2011年3月通过168小时试运行后投入商业运行,投运以来系统运行稳定、控制效果优秀,并获得中国工控网2011样板工程奖。
2 百万机组的系统特点
百万超超临界机组由于蒸汽参数的提高,其运行效率大大提高,经济效益十分明显,环保水平显著提高。超临界机组在工艺流程和对象特性与亚临界汽包锅炉相比发生了较大变化,因而超临界机组的控制具有以下特点:
(1)耦合性强
由于超临界机组在直流运行状态汽水之间没有明确的的分界点,给水的加热段、蒸发段、过热段三个部分都会受到给水、燃料、调门的影响,从而引起温度、压力、负荷的变化。
(2)非线性大
由于超临界机组采用滑压运行,机组在亚临界和超临界工况下,工质的特性有显著差异,机组蓄热能力也非线性变化,造成机组在负荷变动时,机组的参数非线性变化。
(3)实时性更高
由于机组循环工质的总质量下降,循环速度上升和工艺特性的加快,机炉之间的协调需要更快速和更及时,对控制系统的周期要求更短,实时性更强。
(4)控制精度要求更高
由于直流机组没有储能作用汽包的环节,对负荷与燃烧率、燃烧率与给水之间的平衡关系要求更高,否则产生的危险会更大,这就需要控制系统对被控制对象的调节精度更高。
3 不同类型机组的控制策略
从上世纪五十年代起,美国、欧洲、俄罗斯、日本、韩国等先后在燃煤机组发展和应用超临界技术发电,取得很好的经济效益和社会效益。我国三大发电设备制造厂与国外公司进行技术合作,生产的超临界机组在锅炉结构、燃烧系统设计等方面有不同的特点。因而在控制策略上也各不相同。
3.1 机组协调控制
(1)以汽机跟随为基础的机炉协调控制系统
锅炉主控利用给水和燃料控制机组负荷,汽机调门控制压力。汽压的调节比较平稳,但负荷初始响应能力较差。不利于AGC指令的要求。
(2)以锅炉跟随为基础的机炉协调控制系统
由汽机调门控制机组负荷,负荷的初始响应迅速,利于AGC指令的要求,但汽压初始偏离较大,系统稳定性降低,稳定周期变长。
3.2 给水控制
(1)以煤跟水的给水调节
以给水快速响应负荷的需求,以一定的煤水比来得出燃料量,并通过对焓值的修正调节来修正燃料量。该策略对汽压的稳定较好,但对温度的控制滞后性较大。
(2)以水跟煤的给水调节
燃料快速响应系统的需求,以一定煤水比确定给水量,并通过对焓值的修正调节来修正给水量。该策略对温度的稳定较好,但汽压的控制难度增大。
3.3 主汽温度控制
(1)巴威机组的温控方式
各级过热汽温的出口温度设定根据蒸汽流量对应的减温器温差加上下级下级减温器入口温度确定,减温器调节逐级向前传递到焓控制器通过修正焓值设定,来改变给水流量,改变煤水比,最终实现负荷与汽温的平衡。
(2)三菱机组的温控方式
各级过热汽温的出口温度设定根据负荷折线确定,各级过热器出口温度产生的偏差同时以比例作用传递到水煤比控制回路。
(3)日立机组的温控方式
主汽温采用定值串级控制方式,一级减温水控制过热度为主,一、二过热器出口温度动态参与调节。以总减温水的流量偏差引入到燃水比的调节回路。
4 台山项目的控制系统特点
神华国华广东台山发电厂二期两台百万千瓦超超临界机组三大主机均由上海电气集团提供。锅炉引进Alstom-Power公司BoilerGmbh技术生产的塔式1000MW锅炉,汽机引进西门子技术生产的TC4F型汽轮机,控制系统采用和利时公司的最新一代HOLLiASMACSV6系统。
控制系统具有如下特点:
4.1 实时性
系统采用基于内存的集中式数据库实时的数据库技术,访问速度极高,且通过多项技术实现实时数据优化读取。另外系统采用实时的冗余网络技术,通过不同的网络层相应技术的使用,保证数据在网络传输中的实时性。如:现场网采用的是当前世界先进的PROFIBUS-DP现场总线,并实现了软DP技术,用软件实现了主站及从站的大部分DP协议,满足百万机组的控制实时性要求。
4.2 高精度
系统通过减短控制周期和稳定控制周期的恒定来提高控制的精度。通过对各种运算模块的分析,凡与时间相关算法,通过控制运算任务的“定时启动、周期执行”的工作方式。系统运算方式与控制策略配合,满足百万机组的控制精度要求。
5 台山项目控制策略分析
台山项目实施中,通过对之前投运的百万机组控制策略的分析,结合台山项目的工艺特点,确定了项目的控制策略。其原理和组成如下:
5.1 协调控制系统
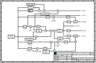
采用以锅炉跟随为基础的机炉协调控制策略。实现AGC、一次调频、RB功能。机组采用全滑压方式运行,提供手动控制、汽机跟随控制、锅炉跟随控制、协调控制四种控制方式。原理框图如图1所示。

图1 机炉协调控制原理框图
方案特点:
5.1.1 机组采用100%高旁系统和西门子DEH系统
由于西门子百万汽机控制无手动方式,调门的控制必须在DEH侧实现,旁路在机组运行全程均参与压力控制。因而在设计机组的各种控制方式时,需考虑到旁路和DEH侧的调节,与原600MW超临界机组的设计有较大区别。
5.1.2 动态蓄热和稳态蓄热的补偿设计
根据升降负荷的速率,以及变负荷的幅度确定在动态下的燃烧的超驰幅度,同时根据机组特性,确定超驰量的响应时间,使控制的量与现场设备特性一致,以补充动态过程中,锅炉蓄热的变化。同时采用压力等的微分信号作为反应机组平衡的中间信号,通过微分的作用对燃烧的调节进行加强,以起到克服锅炉滞后性的效果。
5.1.3 各被调量之间的解耦设计
(1)负荷需求与锅炉出力的解耦
为解决锅炉与汽机性能对负荷响应的差别,一方面采用动态超调的设计。另一方面对机前压力指令的形成做惯性处理,使机组出力初始改变时,锅炉的参数滞后变化。
(2)给水调节与燃烧调节的解耦
给水的变化会引起压力的变化,进而引起燃烧的变化,燃料的变化又加剧给水的变化,从而引起系统的动荡。为消除给水与燃烧之间的耦合,对焓值调节输出端通过工质折算,及变化率处理之后,加入到燃料调节回路,消除燃料与给水之间的耦合。
5.1.4 RB功能的调节回路
在常规RB处理的基础上,对各种引起RB动作的因素,在压力指令的变化率和给水的响应时间上进行了分别处理。同时根据百万机组的燃烧特性,在跳磨的顺序和时间间隔上也做了处理,使机组在发生事故时,更合理地根据直流炉的燃烧需要进行自动控制。
5.2 给水控制系统
采用水跟煤的控制策略。通过对给水泵、再循环泵出口门、给水旁路调节门的控制,实现在湿态、干态方式下的全程给水控制。
(1)湿态下给水控制
类似于汽包炉的控制,采用给水泵控制分离器疏水箱水位,再循环阀控制直流炉最小安全流量。全程给水共分为三段,在低负荷时,由给水旁路调门控制分离器疏水箱水位,给水泵控制旁路调门前后差压,再循环阀控制直流炉最小安全流量。当旁路调门开度在85%以上时,切换为给水泵控制分离器疏水箱水位。当再循环泵出现问题时,由给水泵控制最小安全流量。整个设计实现了给水的全程控制,既保证了系统在切换过程中的平稳,又保证了在低负荷过程中,水冷壁的安全流量。
(2)干态下给水控制
采用物理方法,根据热力学第一定律的原理来构建的焓水控制策略,实现在直流阶段给水的精确控制。原理框图如图2所示。

图2 干态下给水控制原理框图
该策略选取了从省煤器入口到分离器出口给水的能量变化与燃料的发热量之间的转化构建。给水吸热量来自锅炉燃烧和锅炉蓄热,一定的给煤率必然对应一定的吸热量,这反映了燃料量到热量的转化,这个转化仅与燃烧工况、锅炉对象特性、传热效率有关,而与机侧工况(如汽压)无关。给煤率和给水量通过焓值可以建立简明的函数关系,便于控制策略的构建,避免与汽压控制的交叉干扰。从原理上解决了给水和燃料、调门之间的解耦关系。这是该控制策略最成功和最有特点之处。
采用焓值代替温度调节,由于焓值随直流炉汽水流程呈现单调变化的趋势,且灵敏度和线性度均优于温度对工况的响应。这也是该策略优于以往机组控制策略之处。
将一、二级减温器的流量的偏差引入到焓值设定回路,通过给水与减温水的配合实现系统的煤水比匹配。
5.3 主汽温度控制系统
采用巴威机组的温控方式,一级减温器的定值根据二级入口汽温和由主汽流量折线的二级减温器出入口温差之和确定。一级减温器的入口汽温和由主汽流量折线的一级减温器出入口温差之和确定的定值与一级减温器的出口汽温的偏差调节作为给水焓值调节的设定值修正,实现负荷和给水的平衡。各回路的调节按史密斯预估的原理设计,通过运用比热的概念,将被控温度折算到减温喷水阀出口,将大惯性对象转换为快速响应的对象。变常规汽温串级调节为单回路调节,消除了主、副调节回路的相互干扰导致的调节效果不佳的影响。
6 结束语
此项目根据机组特点设计出符合机组的控制策略,并结合机组的最优运行参数,将各稳态工作点和响应稳态折线输入到算法中,并配合各调节回路的参数设置,最终实现机组的精确控制。
控制策略能否实现预期的目的,不仅与调节参数的设置有关,而且与DCS系统的控制周期、方案组态的时序等密切相关,只有充分了解控制系统的特点、功能块的特性,才能在使用中得到更好的效果。